高精度空气静压直线平台集成了无铁芯直线电机、高精度光栅尺及气浮导轨,可以获得极高的定位精度,速度稳定性高以及优越的机械性能。空气静压导轨采用闭式气浮结构,四面均匀受力,保证了导轨超高的各向刚度,并且相对于机械导轨具有摩擦系数极低,磨损小,寿命长,长期保持制造精度,运行平稳以及速度快等优点。
产品介绍
高精度空气静压直线平台集成了无铁芯直线电机、高精度光栅尺及气浮导轨,可以获得极高的定位精度,速度稳定性高以及优越的机械性能。空气静压导轨采用闭式气浮结构,四面均匀受力,保证了导轨超高的各向刚度,并且相对于机械导轨具有摩擦系数极低,磨损小,寿命长,长期保持制造精度,运行平稳以及速度快等优点。
现有两种结构形式,标准型和宽体型。相对于标准型空气静压导轨,宽体型空气静压导轨除了增加导轨面宽度外,在中间还增加了一个气浮面做辅助支承,显著提高了导轨的承载能力和刚度。宽体型导轨还配备了主从模式的双直线电机,确保了导轨运行的稳定性和高动态响应。客户通过将不同型号的空气静压导轨组合,搭建出多种规格的十字滑台。可以依据客户需求进行定制化开发。
主要应用
半导体制造与检测、蚀刻、表面计量学、光学设备制造、激光微加工、高精度扫描、光学检测、光伏系统等。
标准型空气静压
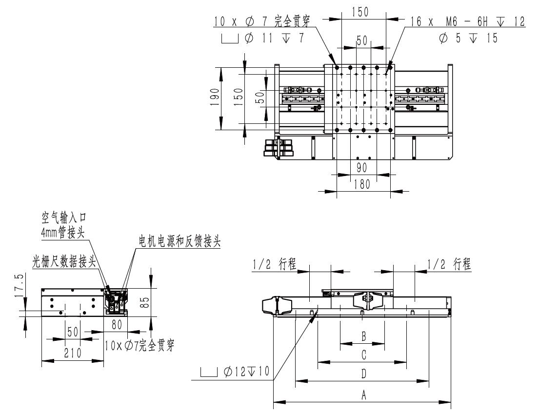
LSA-W210

LSA-W210具有高刚度和卓越的几何特性,能够满足制造过程中对定位精度要求严格以及承受重载或偏心负载的应用需求。其完全无接触的空气轴承、直线电机和反馈装置确保了在最高性能水平下多年免维护运行。

一般行程mm | 电气行程mm | 尺寸mm | |||
A | B | C | D | ||
50 | 60 | 350 | 150 | - | - |
100 | 110 | 400 | 150 | - | - |
200 | 210 | 500 | 150 | 250 | - |
300 | 310 | 600 | 150 | 300 | - |
400 | 410 | 700 | 150 | 300 | 450 |
500 | 510 | 800 | 150 | 300 | 500 |
标准高精度空气静压导轨-尺寸图
主要参数
型号LSA-W210 | S50 | S100 | S200 | S300 | S400 | S500 | ||
行程mm | 50 | 100 | 200 | 300 | 400 | 500 | ||
精度 μm | 增量编码器 | 标定 | ±0.3 | ±0.3 | ±0.5 | ±0.5 | ±0.6 | ±0.6 |
标准 | ±2 | ±4 | ±8 | ±12 | ±16 | ±20 | ||
高精度编码器 | 标定 | ±0.2 | ±0.2 | ±0.4 | ±0.4 | ±0.5 | ±0.5 | |
标准 | ±1 | ±2 | ±5 | ±5 | ±5 | ±5 | ||
双向重复精度μm | 增量编码器 | ±0.1 | ±0.2 | ±0.2 | ±0.2 | ±0.3 | ±0.3 | |
高精度编码器 | ±0.05 | ±0.05 | ±0.1 | ±0.15 | ±0.2 | ±0.2 | ||
直线度μm | ±0.25 | ±0.4 | ±0.5 | ±0.75 | ±1.5 | ±2 | ||
平面度μm | ±025 | ±0.4 | ±0.5 | ±0.75 | ±1.5 | ±2 | ||
俯仰arcsec | ±0.5 | ±1 | ±2 | ±3 | ±4 | ±5 | ||
滚转arcsec | ±0.5 | ±1 | ±2 | ±3 | ±4 | ±5 | ||
偏摆arcsec | ±0.5 | ±1 | ±2 | ±3 | ±4 | ±5 | ||
最大速度m/s | 2 | |||||||
最大加速度m/s2 | 2g(无负载) | |||||||
最大输出力(连续)N | 93.6 | |||||||
负载能力kg | 水平 | 35 | ||||||
侧面 | 25 | |||||||
工作压力bar | 5±0.1 | |||||||
空气消耗L/min@5bar | 25 | |||||||
移动质量(无负载)kg | 5.1 | |||||||
导轨质量kg | 14.7 | 16 | 18.6 | 21.3 | 23.9 | 26.5 | ||
材质 | 航空铝 | |||||||
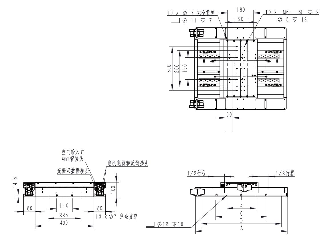
宽体型空气静压导轨
LSA-W400

LSA-W400平台凭借其主动空气预载、极高的刚度以及出色的几何特性,能够满足其他平台无法实现的严苛运动性能要求。宽体设计搭配双无铁芯直线电机,专为大型负载设计,同时也是XY平台系统中理想的下轴配置。非接触式设计带来近乎无限的使用寿命,几乎无需定期维护或保养。

一般行程mm | 电气行程mm | 尺寸mm | |||
A | B | C | D | ||
200 | 210 | 530 | 200 | - | - |
300 | 310 | 630 | 200 | 350 | - |
400 | 410 | 730 | 200 | 400 | - |
500 | 510 | 830 | 200 | 400 | 550 |
宽体高精度空气静压导轨-尺寸图
主要参数
型号LSA-W400 | S200 | S300 | S400 | S500 | ||
行程mm | 200 | 300 | 400 | 500 | ||
精度 μm | 增量编码器 | 标定 | ±0.5 | ±0.5 | ±0.6 | ±0.6 |
标准 | ±8 | ±12 | ±16 | ±20 | ||
高精度编码器 | 标定 | ±0.4 | ±0.4 | ±0.5 | ±0.5 | |
标准 | ±5 | ±5 | ±5 | ±5 | ||
双向重复精度μm | 增量编码器 | ±0.2 | ±0.2 | ±0.3 | ±0.3 | |
高精度编码器 | ±0.1 | ±0.15 | ±0.2 | ±0.2 | ||
直线度μm | ±0.5 | ±0.75 | ±1.5 | ±2 | ||
平面度μm | ±0.5 | ±0.75 | ±1.5 | ±2 | ||
俯仰arcsec | ±2 | ±3 | ±4 | ±5 | ||
滚转arcsec | ±2 | ±3 | ±4 | ±5 | ||
偏摆arcsec | ±2 | ±3 | ±4 | ±5 | ||
最大速度m/s | 2 | |||||
最大加速度m/s2 | 2g | |||||
最大输出力(连续)N | 187.2 | |||||
负载能力kg | 水平 | 60 | ||||
侧面 | 25 | |||||
工作压力bar | 5±0.1 | |||||
空气消耗L/min@5bar | 35 | |||||
移动质量(无负载)kg | 11.5 | |||||
导轨质量kg | 39.8 | 45 | 50.3 | 55.5 | ||
材质 | 航空铝 | |||||